Sélectionner une page

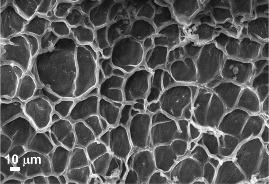
Mosaïque de cratères en sol lunaire

 

Auteur : Alain PONTON
Image candidate Prix Jacquet 2025
Laboratoire Matière et systèmes complexes (MSC), UMR 7057, Paris
Parution : 02/09/2025

La publication de cette image par des tiers est soumise à l’autorisation de l’auteur.

Technique de réalisation/Apport scientifique :

Cette image représente le réseau d’un hydrogel de chitosan congelé par immersion dans l’azote liquide puis lyophilisé sous une pression de 0,3mbar durant deux jours et recouvert en surface par une couche de 5mm de particules d’or. Le cliché expérimental est obtenu par microscopie électronique à balayage.

Descriptif technique :

Micrographie obtenue au microscope électronique à balayage (MEB) en mode électrons rétrodiffusés. Image obtenue en grandissement x500, sous une tension de 20kV.

Provenance : Laboratoire Matière et systèmes complexes (MSC), UMR 7057, Paris.